- Applicazioni - Elettrodomestici: Ventilatori per Forni
- Prodotti: Motori a poli schermati per forni
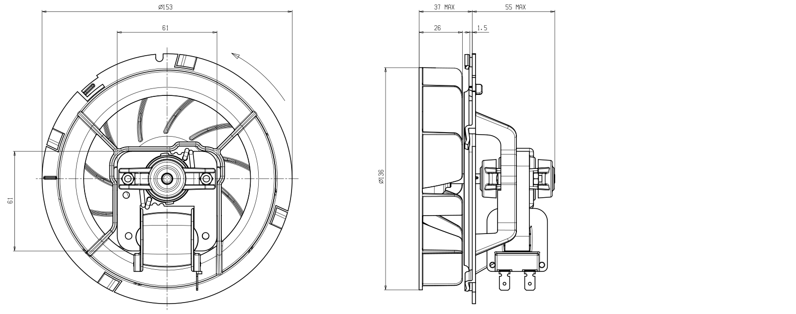
Motori per raffreddamento
Motori a poli schermati completi di girante per il raffreddamento della maniglia e dell’elettronica a bordo di forni domestici e professionali. Disponibili in versione tangenziale con coclea in lamiera o versione centrifuga con supporto motore in plastica.
Caratteristiche Tecniche
| Tecnologia | Motore a poli schermati |
| Rotazione | Oraria |
| Sistema di Fissaggio | Fissaggio con supporto plastico |

