- Prodotti: Motori a condensatore
Motori W
Motore a condensatore numero uno in efficienza e potenza.
Disponibili diverse configurazioni meccaniche ed elettriche
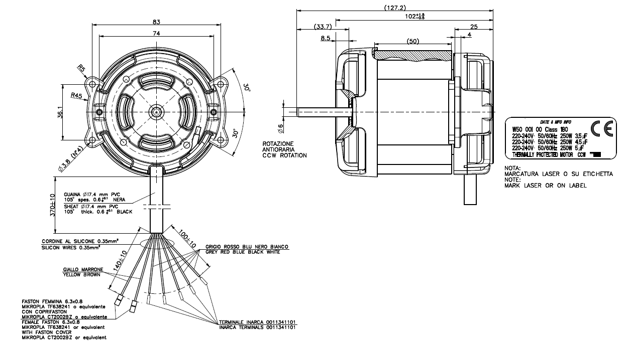
Caratteristiche Tecniche
| Tipologia motore | Motore a condensatore |
| Tensione | 220-240 V |
| Frequenza | 50/60 Hz |
| Classe di isolamento | 180 (EN60335-1 |
| Potenza | 250W |
| Coppia al punto di max efficienza | 0,34 Nm |
| Coppia massima | 0,47 Nm |
| Efficienza massima | 70,70% |
| Temperatura di funzionamento | 10 - 40 °C |
| Rotazione | Antioraria |
